3.5耳机插座
PJ313D

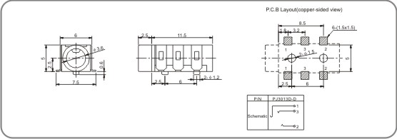
产品型号:PJ3013D
产品用途:有一个或一个以上电路接线可插入的座,通过它可插入各种接线,便于与其他电路接通
适用行业:适用于:电视机,LCP,PDP,电脑,笔记本,手机,家电,视听,影视等领域
简单描述:与插入式元器件(如插头、电子管、继电器等)相配接的连接器

技术指标:
使用温度范围 | -30-70℃ | 耐压 | AC500V(50Hz)/min |
额定负荷 | DC 30V 0.5A | 动作力 | 3~20N |
接触电阻 | ≤0.03Ω | 寿命 | 5000次 |
绝缘电阻 | ≥100MΩ |


产品型号:PJ3013D
产品用途:有一个或一个以上电路接线可插入的座,通过它可插入各种接线,便于与其他电路接通
适用行业:适用于:电视机,LCP,PDP,电脑,笔记本,手机,家电,视听,影视等领域
简单描述:与插入式元器件(如插头、电子管、继电器等)相配接的连接器

技术指标:
使用温度范围 | -30-70℃ | 耐压 | AC500V(50Hz)/min |
额定负荷 | DC 30V 0.5A | 动作力 | 3~20N |
接触电阻 | ≤0.03Ω | 寿命 | 5000次 |
绝缘电阻 | ≥100MΩ |
